
產品分類:三次元振動篩
產品優勢:加緣式振動篩是在普通振動篩基礎上加強包邊,增大進料口直徑,為特殊篩分物料而設計的,加緣式振動篩是大投料量、防止物料飛濺、易與觀測篩網的機型。
全國統一銷售熱線:0373-268 2333
加緣式振動篩是根據我公司多年的經驗結合實際生產所設計制造的改進機型,加緣式振動篩是在普通振動篩基礎上加強包邊,增大進料口直徑,為特殊篩分物料而設計的,加緣式振動篩是大投料量、防止物料飛濺、易與觀測篩網的機型。


化工行業:樹脂粉、顏料、洗衣粉、微粉、油漆、純堿、檸檬粉、橡膠、塑料等。
磨料、陶瓷行業:氧化鋁、石英砂、泥漿、噴霧土粒。
食品行業:糖、鹽、堿、味精、奶粉、豆漿、酵母、果汁、醬油、醋等。
造紙行業:涂布涂料、白土泥漿、黑白液、廢液、造紙液、廢水回收。
冶金行業:氧化鈦、氧化鋅、電磁材料、金屬粉末、焊條粉末等。
制藥行業:中藥粉、中藥液、西藥粉、西藥液體、中西藥顆粒等。
環境保護:垃圾、人畜屎尿、廢油、食品廢水、廢水加工等。
1. 效率高、設計精巧耐用,粉類、粘液均可篩分。
2. 換網容易、操作簡單、清洗方便。
3. 網孔不堵塞、粉末不飛揚、可篩至500目或0.028mm。
4. 雜質、粗料自動排出,可以連續作業。
5. 獨特網架設計,篩網使用時間長久,換網快只需3-5分鐘。
6. 體積小,不占空間移動方便。
7. 篩機高可以達到五層,建議使用三層。

1、加緣式設計,防止漿液飛濺,大觀察口,易于觀察篩面;
2、全密封液體不泄露,處理量大。過濾細可達5um(微米);
3、出料口可以360度任意調整,與現場銜接方便易行;
4、能把各類漿液中的非溶性固體物質迅速清除,漿渣自動排出,可以連續作業;
5、新型網架結構,篩網使用壽命長,網孔不變形,換網只需3-5分鐘,部件無死角,易清洗消毒;
6、大功率電機具有防水防塵裝置,使用壽命更長、更安全、放心;
7、運行平穩,噪音低,能耗小。
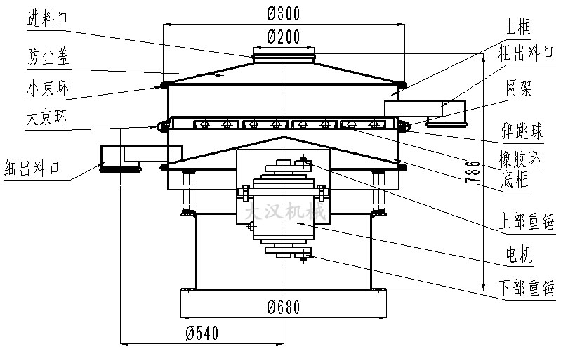
加緣式振動篩是一種高精度細粉篩分設備,工作原理是由直立式電機作激振源,電機上、下兩端安裝有偏心重錘,將電機的旋轉運動轉變為水平、垂直、傾斜的三次元運動,再把這個運動傳遞給篩面。調節上、下兩端的相位角,可以改變物料在篩面上的運動軌跡。

大漢振動篩系列產品同時配備專門的篩網清理裝置,把堵網率降到低,過網率和處理精度得以有效提高。大漢機械具備特殊型號制造的能力讓顧客對大漢產品有更多的選擇。